Bride Vierge
Matériaux
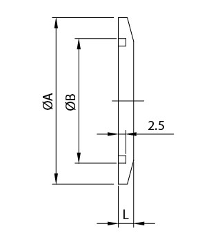
Spécification
| Size | A | B | L | Parts No. |
|---|---|---|---|---|
| KF10 | 30 | 12.2 | 5.1 | SABL-0400 |
| KF16 | 30 | 17.2 | 5.1 | SABL-0600 |
| KF25 | 40 | 26.2 | 5.1 | SABL-1000 |
| KF40 | 55 | 41.2 | 5.1 | SABL-1400 |
| KF50 | 75 | 52.2 | 5.1 | SABL-2000 |
| KF63 | 87 | 70 | 5.1 | SABL-2400 |
| KF80 | 114 | 83 | 11.0 | SABL-3000 |
| KF100 | 134 | 102 | 11.0 | SABL-4000 |
| KF160 | 190 | 153 | 11.0 | SABL-6000 |
CONNEXION DE FLANDE KF AVEC PINCES

Caractéristique :
- Assemblage facile et démontage rapide manuel sans outils - L'assemblage KF ou NW comprend deux brides, un anneau central, un joint torique et un collier en aluminium ou en acier inoxydable avec un dispositif de fixation à écrou papillon pour une connexion rapide et rapide.
- Pression uniforme pour assurer une connexion étanche sous vide - La surface conique de 15° de la bride KF/NW permet d'appliquer une pression uniforme pour comprimer un joint torique, maintenu en place par un anneau central en métal, par le collier pour générer une étanchéité sous vide.
Matériau et taille
- Brides, blancs, raccords : Matériau S.S.304
- Colliers : Matériau aluminium ou S.S. 304
- Joint torique : Matériau Viton
- Tailles : KF10~KF160, Norme JIS : NW10~NW100
- Produits connexes
Meilleure vente
Produits populaires
Hot
Composants sous vide
Hot
Composants sous vide
EFT fournit des brides non seulement selon les normes KF, ISO mais aussi selon les spécifications...
En Savoir Plus
Hot
Vanne sanitaire
Hot
Vanne sanitaire
EFT peut offrir une variété de vannes sanitaires de qualité alimentaire et obtenir...
En Savoir Plus
Hot
Raccords sanitaires
Hot
Raccords sanitaires
EFT possède une usine de forgeage dans le but de construire une image professionnelle...
En Savoir Plus
Hot
Réducteur BPE
Hot
Réducteur BPE
EFT peut aider avec des problèmes généraux ou des besoins individuels. EFT offre...
En Savoir Plus


