Material
Bahan S.S.304, 304L, 316L dan ukuran dapat disesuaikan sesuai desain dan kebutuhan pelanggan.
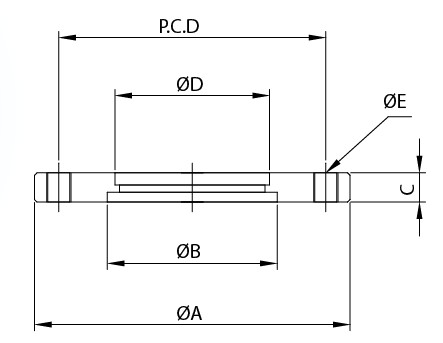
Spesifikasi
| Size | A | B | C | D | E | P.C.D | Parts No. |
|---|---|---|---|---|---|---|---|
| ISO63 | 130 | 70 | 12 | 63.7 | M8*4 | 110 | SOTF-2400 |
| ISO80 | 145 | 83 | 12 | 76.4 | M8*8 | 125 | SOTF-3000 |
| ISO100 | 165 | 102 | 12 | 101.8 | M8*8 | 145 | SOTF-4000 |
| ISO160 | 225 | 153 | 12 | 152.9 | M10*8 | 200 | SOTF-6000 |
KONEKSI FLANGE ISO DENGAN KLEM

Karakteristik:
- Seri Flange ISO sesuai dengan Standar Operasi Internasional, yang kompatibel dengan standar pembuat lain.
- Perakitan Flange ISO:
- Jenis Klem ISO - terdiri dari dua flens ISO, sebuah Cincin Pusat dengan O-ring, dan klem dinding ganda atau klem penjepit ganda.
- Jenis Baut ISO - terdiri dari dua flens ISO yang dibaut, sebuah Cincin Pusat dengan O-ring, sekrup baut, washer, dan mur.
Material dan Ukuran
- Flensa, Kosong, Pemasangan: Bahan S.S.304
- Klem: Material Aluminium atau S.S. 304
- O-ring : Bahan Viton
- Ukuran: ISO63~ISO160
- Produk Terkait
Penjualan Terbaik
Produk Terlaris
Hot
Komponen Vakum
Hot
Komponen Vakum
EFT menyediakan flensa tidak hanya standar KF, ISO tetapi juga spesifikasi standar...
Baca Selengkapnya
Hot
Katup Sanitari
Hot
Katup Sanitari
EFT dapat menawarkan berbagai katup sanitari dengan standar makanan dan mendapatkan...
Baca Selengkapnya
Hot
Fitting Sanitari
Hot
Fitting Sanitari
EFT memiliki pabrik penempaan dengan tujuan membangun citra profesional dan menyediakan...
Baca Selengkapnya
Hot
Pengurang BPE
Hot
Pengurang BPE
EFT dapat membantu dengan masalah umum atau kebutuhan individu. EFT menawarkan bahan...
Baca Selengkapnya


