ส่วนผู้ชาย IDF - น็อตและไลเนอร์
วันที่ทางเทคนิค
- ความดันสูงสุดของผลิตภัณฑ์: 10 บาร์
- ความดันขั้นต่ำของผลิตภัณฑ์: สูญญากาศเต็ม
- ช่วงอุณหภูมิ: -10° ถึง +95°C
วัสดุ
- ส่วนที่สัมผัสผลิตภัณฑ์: เหล็ก AISI304 หรือ AISI316L
- การเสริมสี: สีเงาครึ่ง
- ส่วนอื่น ๆ ที่ทำด้วยเหล็ก: เหล็ก AISI 304
- การป้องกันยาง: ยางซิลิโคน, EPDM หรือ VITON
การสั่งซื้อ
- ขอบคุณสำหรับคำสั่งซื้อของคุณ!- ประเภทวาล์ว
- ขนาดวาล์ว
- การเชื่อมต่อ หากไม่ใช้ปลายเชื่อม
- วัสดุ: AISI304 หรือ AISI 316L
- เกรดยาง: EPDM, ซิลิโคน หรือไวตอน
- ประเภทของมือจับ หากจำเป็น
 
ข้อกำหนด
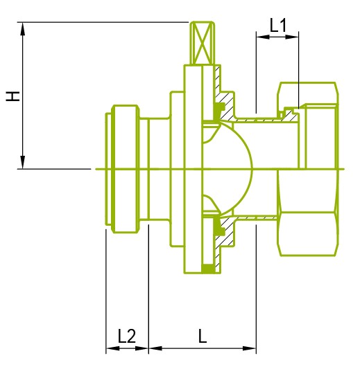
ชิ้นส่วนผู้ชาย IDF - น็อตและไลเนอร์
| Size | L mm | L1 mm | L2 mm | H mm | 
|---|---|---|---|---|
| 1.0" | 52 | 21.5 | 16.5 | 61 | 
| 1.5" | 52 | 21.5 | 19.5 | 64.3 | 
| 2.0" | 54 | 21.5 | 19.5 | 74.3 | 
| 2.5" | 60 | 21.5 | 25 | 77.6 | 
| 3.0" | 60 | 21.5 | 30.0 | 84.8 | 
| 4.0" | 72 | 30.0 | 35.0 | 101.6 | 
สินค้ายอดนิยม
 Hot Hot- ส่วนประกอบสุภาพ Hot Hot- ส่วนประกอบสุภาพ- EFT ให้บริการฟลองจ์ไม่เพียงแค่มาตรฐาน... อ่านเพิ่มเติม
 Hot Hot- วาล์วสุขภัณฑ์ Hot Hot- วาล์วสุขภัณฑ์- EFT สามารถให้บริการวาล์วสุขภัณฑ์หลากหลายรูปแบบที่มีเกรดอาหารและได้รับใบรับรอง... อ่านเพิ่มเติม
 Hot Hot- อุปกรณ์สุขภัณฑ์ Hot Hot- อุปกรณ์สุขภัณฑ์- EFT เป็นเจ้าของโรงงานชุบเหล็กด้วยวัตถุประสงค์ในการสร้างภาพลักษณ์อาชีพและให้เฟอร์รูลคุณภาพสูงและบริการครบวงจร อ่านเพิ่มเติม
 Hot Hot- ลดขนาด BPE Hot Hot- ลดขนาด BPE- EFT สามารถช่วยแก้ไขปัญหาทั่วไปหรือความต้องการแบบเดี่ยว... อ่านเพิ่มเติม
 
 
 


