Ổ cắm liên kết
Dòng U
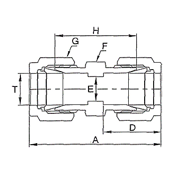
Thiết kế hai ống, vật liệu có thể là thép không gỉ 316L hoặc 316Ti (DIN 1.4571).
Cấu hình thẳng, ống nối, bộ nối ống
Dành cho ống mét
| T TUBE OD | SỐ MÃ | KÍCH THƯỚC | |||||
|---|---|---|---|---|---|---|---|
| A | D | E | F | G | H | ||
| 3 | U3M | 35.5 | 12.9 | 2.5 | 10 | 10 | 22.1 |
| 4 | U4M | 37.5 | 13.7 | 2.5 | 12 | 12 | 24.1 |
| 6 | U6M | 41.0 | 15.3 | 5.0 | 12 | 9/16 | 26.2 |
| 8 | U8M | 43.5 | 16.2 | 6.0 | 14 | 5/8 | 28.2 |
| 10 | U10M | 46.5 | 17.2 | 8.0 | 17 | 19 | 31.0 |
| 12 | U12M | 51.5 | 22.8 | 10.0 | 20 | 7/8 | 31.0 |
| 14 | U14M | 53.0 | 24.4 | 12.0 | 24 | 25 | 32.0 |
| 15 | U15M | 52.0 | 24.4 | 12.0 | 24 | 25 | 31.8 |
| 16 | U16M | 52.0 | 24.4 | 12.0 | 24 | 25 | 31.8 |
| 18 | U18M | 54.0 | 24.4 | 16.0 | 27 | 30 | 33.0 |
| 20 | U20M | 52.0 | 26.0 | 18.0 | 30 | 32 | 34.0 |
| 22 | U22M | 53.0 | 26.0 | 18.0 | 30 | 32 | 34.0 |
| 25 | U25M | 65.0 | 31.3 | 22.0 | 35 | 1-1/2 | 40.0 |
Dành cho ống phân đoạn
| T TUBE OD | SỐ MÃ | KÍCH THƯỚC | |||||
|---|---|---|---|---|---|---|---|
| A | D | E | F | G | H | ||
| 1/16 | U1 | 28.0 | 8.6 | 1.3 | 10 | 10 | 20.0 |
| 1/8 | U2 | 36.0 | 12.7 | 2.5 | 12 | 7/16 | 22.4 |
| 3/16 | U3 | 38.0 | 13.7 | 2.5 | 12 | 12 | 24.0 |
| 1/4 | U4 | 41.0 | 15.2 | 5.0 | 12 | 9/16 | 26.2 |
| 3/8 | U6 | 45.0 | 16.8 | 8.0 | 16 | 11 /16 | 30.2 |
| 1/2 | U8 | 51.5 | 22.9 | 10.0 | 20 | 7/8 | 31.0 |
| 5/8 | U10 | 53.0 | 24.4 | 14.0 | 24 | 25 | 32.0 |
| 3/4 | U12 | 54.0 | 24.4 | 16.0 | 27 | 1-1/8 | 35.0 |
| 1 | U16 | 65.0 | 31.2 | 22.0 | 35 | 1-1/2 | 40.4 |
- Các kích thước A và D được siết bằng tay.
- Kích thước E là kích thước mở tối thiểu. Các phụ kiện này có thể có kích thước mở lớn hơn ở đầu kết nối.
- Số phân số được tính bằng đơn vị inch; các đơn vị khác được tính bằng đơn vị mm.
- Kích thước chỉ mang tính chất tham khảo và có thể thay đổi mà không cần thông báo trước.
Sản phẩm nổi bật
-
Hot
Các thành phần hút chân không
Hot
Các thành phần hút chân không
EFT cung cấp các loại mặt bích không chỉ theo tiêu chuẩn KF, ISO mà còn...
Đọc Thêm -
Hot
Van vệ sinh
Hot
Van vệ sinh
EFT có thể cung cấp van vệ sinh đa dạng với chất lượng thực phẩm...
Đọc Thêm -
Hot
Phụ kiện vệ sinh
Hot
Phụ kiện vệ sinh
EFT sở hữu nhà máy rèn với mục tiêu xây dựng hình ảnh chuyên nghiệp...
Đọc Thêm -
Hot
Bộ giảm BPE
Hot
Bộ giảm BPE
EFT có thể giúp đỡ với các vấn đề chung hoặc nhu cầu cá nhân....
Đọc Thêm


