صمام كروي ثلاثي الاتجاهات صحي
صمام كروي ثلاثي الاتجاه
السلسلة: Y-4HCS
قطعة رباعية ثلاثية الاتجاهات متعددة المنافذ 1000
صمام كروي صحي بنهاية ثلاثية التثبيت T/T/T
صمام كروي صحي ثلاثي الاتجاه للاستخدام في المواد الغذائية والكيماويات مع لوحة تثبيت ISO
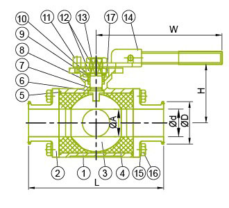
الميزات
- عمود مقاوم للانفجار/كرة صلبة
- مقبض القفل
- استثمار الصب الفولاذ المقاوم للصدأ CF8M أو CF3M
- كرة ونهاية مصقولة بمعدل 20RA
- مقاعد PTFE مملوءة بالكامل
- كرة: T-PORT و L-PORT
- قاعدة تركيب ISO 5211 ذات العنق الطويل تمكّن
- من تثبيت المشغل مباشرة
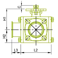
- الحجم: متوفر من 1/2" إلى 2"
المواصفات

- المنتجات ذات الصلة
محرك جبل لصمام الكرة
صمام الكرة
تكوين تثبيت المحرك هو التثبيت المباشر. يمكن تزويده بحوامل منخفضة وعالية. أعلى صمامات كروية لزيادة الاعتمادية، وسهولة التركيب، وتحسين عمر الدورة.
صمام كروي ثلاثي الاتجاهات صحي
صمام كروي ثلاثي الاتجاه
السلسلة: Y-4HCS قطعة رباعية ثلاثية الاتجاهات متعددة المنافذ 1000 صمام كروي صحي بنهاية ثلاثية التثبيت T/T/T
أفضل مبيعات
المنتجات الساخنة
Hot
مكونات الفراغ
Hot
مكونات الفراغ
تقدم EFT فلنجات ليس فقط بمواصفات KF و ISO ولكن أيضاً...
اقرأ المزيد
Hot
صمام صحي
Hot
صمام صحي
يمكن أن تقدم EFT مجموعة متنوعة من الصمامات الصحية...
اقرأ المزيد
Hot
تركيبات صحية
Hot
تركيبات صحية
تمتلك EFT مصنعاً للطرق بهدف بناء صورة احترافية...
اقرأ المزيد
Hot
مخفض BPE
Hot
مخفض BPE
يمكن أن تساعد EFT في القضايا العامة أو الاحتياجات...
اقرأ المزيد


