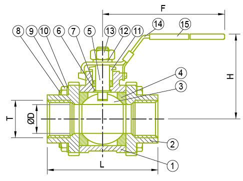
التسمية
| العنصر | الأجزاء | المواد | الكمية |
|---|---|---|---|
| 1 | الجسم | 316 / WCB | 1 |
| 2 | كاب | 316 / WCB | 2 |
| 3 | كرة | 316 | 1 |
| 4 | مقعد | بتف | 1 |
| 5 | ساق | 316 | 1 |
| 6 | تعبئة الدفع | بتف | 1 |
| 7 | تعبئة الساق | بتف | 2 |
| 8 | البرغي | 304 | 4 |
| 9 | الجوز السداسي | 304 | 4 |
| 10 | غسالة البرغي | 304 | 4 |
| 11 | جوز الغدة | 304 | 1 |
| 12 | غسالة الساق | 304 | 1 |
| 13 | جوز الساق | 304 | 1 |
| 14 | مقبض | 304 | 1 |
| 15 | غطاء بلاستيكي | بلاستيك | 1 |
المواصفة
| Size | B mm |
C mm |
D mm |
F mm |
H mm |
L mm |
T mm |
|---|---|---|---|---|---|---|---|
| 1/4" | 8 | 5 | 12.7 | 33 | 52 | 59 | NPT, PF, PT |
| 3/8" | 8 | 5 | 12.7 | 33 | 52 | 59 | NPT, PF, PT |
| 1/2" | 8 | 5 | 15.5 | 44.5 | 55 | 68.5 | NPT, PF, PT |
| 3/4" | 10 | 6.5 | 20 | 53 | 62 | 84 | NPT, PF, PT |
| 1" | 10 | 6.5 | 25.4 | 57 | 67 | 89 | NPT, PF, PT |
| 1 1/4" | 12 | 8.5 | 32 | 72 | 82 | 113 | NPT, PF, PT |
| 1 1/2" | 12 | 8.5 | 38.1 | 78 | 92 | 119 | NPT, PF, PT |
| 2" | 12 | 8.5 | 50.8 | 95.5 | 100 | 137.5 | NPT, PF, PT |
| 2 1/2" | 19 | 12 | 65 | 110.5 | 140 | 162 | NPT, PF, PT |
| 3" | 19 | 12 | 80 | 125.5 | 149 | 184.5 | NPT, PF, PT |
| 4" | 25 | 12 | 100 | 153.5 | 184 | 227 | NPT, PF, PT |
- المنتجات ذات الصلة
-
-
تركيب المحرك لصمام الكرة
صمام الكرة
تركيب المحرك هو التكوين المباشر. يمكن تجهيزه بحامل منخفض وعالي. أعلى صمامات الكرة لمزيد من الموثوقية وسهولة التركيب وتحسين عمر الاستخدام.
-
تركيب المحرك لصمام الكرة
صمام الكرة
تركيب المحرك هو التكوين المباشر. يمكن تجهيزه بحامل منخفض وعالي. أعلى صمامات الكرة لمزيد من الموثوقية وسهولة التركيب وتحسين عمر الاستخدام.
-
صمام كرة ثلاثي الاتجاهات صحي
صمام كرة ثلاثي الاتجاه
سلسلة: Y-4HCS صمام كرة ثلاثي الاتجاه بأربع قطع 1000 متعدد المنافذ صمام كرة صحي ثلاثي الاتجاه WOG بنهاية تراي-كلامب T/T/T
-
صمام كرة ثلاثي الاتجاهات صحي
صمام كرة ثلاثي الاتجاه
سلسلة: Y-4HCS صمام كرة ثلاثي الاتجاه بأربع قطع 1000 متعدد المنافذ صمام كرة صحي ثلاثي الاتجاه WOG بنهاية تراي-كلامب T/T/T
-
صمامات التوصيل ثنائية الاتجاه
صمامات التوصيل ثنائية الاتجاه
صمامات السد هي أجهزة صحية ممتازة ذات انخفاض ضغط دقيق. تم تصميم هذا النوع من الصمام بمخروط خاص تم تصميمه بعناية للحد من التشبث والتآكل. تتكون صمامات السد من الفولاذ المقاوم للصدأ من النوع 316 وتأتي في تكوين مشبك ونهاية لحام الأطراف. متوفرة في مكونات مطاطية أو فولاذية. ملاحظة: يُوصى باستخدام صمامات السد فقط لتطبيقات ضغط منخفض.... الحد الأقصى 25 رطل/بوصة مربعة؛ للاستخدام مع المنتجات غير الخطرة وعند درجات حرارة لا تتجاوز 100 درجة فهرنهايت. إنها تتعرض لتسرب تقريبًا أثناء التشغيل وإجراءات الصيانة والتنظيف العادية.
-
صمامات التوصيل الثلاثية
صمامات التوصيل الثلاثية
صمامات السد هي أجهزة صحية ممتازة ذات انخفاض ضغط دقيق. تم تصميم هذا النوع من الصمام بمخروط خاص تم تصميمه بعناية للحد من التشبث والتآكل. تتكون صمامات السد من الفولاذ المقاوم للصدأ من النوع 316 وتأتي في تكوين مشبك ونهاية لحام الأطراف. متوفرة في مكونات مطاطية أو فولاذية. ملاحظة: يُوصى باستخدام صمامات السد فقط لتطبيقات ضغط منخفض.... الحد الأقصى 25 رطل/بوصة مربعة؛ للاستخدام مع المنتجات غير الخطرة وعند درجات حرارة لا تتجاوز 100 درجة فهرنهايت. إنها تتعرض لتسرب تقريبًا أثناء التشغيل وإجراءات الصيانة والتنظيف العادية.
أفضل العروض
المنتجات الساخنة
-
Hot
مكونات الفراغ
Hot
مكونات الفراغ
يوفر EFT فلنجات ليس فقط مواصفات KF و ISO ولكن أيضًا...
اقرأ المزيد -
Hot
صمام صحي
Hot
صمام صحي
يمكن أن يقدم EFT مجموعة متنوعة من الصمامات الصحية...
اقرأ المزيد -
Hot
تجهيزات صحية
Hot
تجهيزات صحية
تمتلك EFT مصنعًا للتزوير بهدف بناء صورة مهنية...
اقرأ المزيد -
Hot
محول BPE
Hot
محول BPE
يمكن أن يساعد EFT في القضايا العامة أو الاحتياجات...
اقرأ المزيد


