Materiales
Especificación
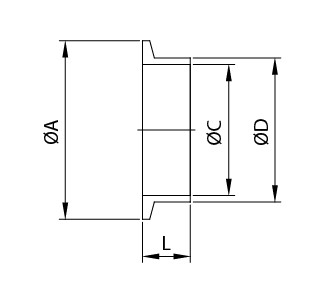
| Size | A | B | C | D | L | Parts No. | 
|---|---|---|---|---|---|---|
| NW63 | 87 | - | 70.2 | 76.3 | 20 | SJS0-2400 | 
CONEXIÓN DE BRIDA KF CON ABRAZADERAS
 
Característica:
- Montaje fácil y desmontaje rápido manualmente sin herramientas: el ensamblaje KF o NW consta de dos bridas, un anillo central, un anillo en O y una abrazadera de aluminio o acero inoxidable con un sujetador de mariposa para una conexión rápida y rápida.
- Presión uniforme para lograr una conexión hermética al vacío: la superficie cónica de 15° de la brida KF/NW permite ejercer una presión uniforme para comprimir un anillo en O, que se mantiene en su lugar por el anillo central de metal, mediante la abrazadera para generar un sellado al vacío.
Material y Tamaño
- Bridas, Tapones, Accesorios: Material S.S.304
- Abrazaderas: Material Aluminio o S.S. 304
- Anillo en O: Material Viton
- Tamaños: KF10~KF160, Estándar JIS: NW10~NW100
Productos destacados
- 
           Hot HotComponentes de Vacío Hot HotComponentes de VacíoEFT proporciona bridas no solo en especificaciones estándar KF, ISO sino también... Leer Más
- 
           Hot HotVálvula sanitaria Hot HotVálvula sanitariaEFT puede ofrecer una variedad de válvulas sanitarias con grado alimenticio y obtener... Leer Más
- 
           Hot HotAccesorios sanitarios Hot HotAccesorios sanitariosEFT posee una fábrica de forja con el objetivo de construir una imagen profesional... Leer Más
- 
           Hot HotReductor BPE Hot HotReductor BPEEFT puede ayudar con problemas generales o necesidades individuales. EFT ofrece materia... Leer Más
 
 
               
                 
                 
              
                             
              
                             
              
                             
              
                             
              
                             
              
                             
              
                             
              
                             
              
                             
              
                             
              
                            

