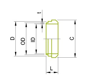
Spezifikation
| Size | OD/ID x t | C | D | L |
|---|---|---|---|---|
| 1.0" | 2.54/22.1x1.65 | 33.2 | 29.5 | 18.3 |
| 1.5" | 38.1/34.8x1.65 | 46.8 | 42.6 | 18.3 |
| 2.0" | 50.8/47.5x1.65 | 60.3 | 55.7 | 19.1 |
| 2.5" | 63.5/60.2x1.65 | 73.8 | 68.8 | 22.3 |
| 3.0" | 76.2/72.9x1.65 | 87.3 | 81.9 | 23.1 |
| 4.0" | 101.6/97.6x2.0 | 114.3 | 108.1 | 26.2 |
Bester Verkauf
Beliebte Produkte
Hot
Vakuumkomponenten
Hot
Vakuumkomponenten
EFT bietet Flansche nicht nur nach KF, ISO, sondern auch nach CF-Standard-Spezifikation...
Weiterlesen
Hot
Sanitärventil
Hot
Sanitärventil
EFT kann eine Vielzahl von Sanitärventilen mit Lebensmittelqualität anbieten und hat das 3A-Zertifikat....
Weiterlesen
Hot
Sanitärarmaturen
Hot
Sanitärarmaturen
EFT besitzt eine Schmiede mit dem Ziel, ein professionelles Image aufzubauen und hochwertige...
Weiterlesen
Hot
BPE Reduzierer
Hot
BPE Reduzierer
EFT kann bei allgemeinen Problemen oder individuellen Bedürfnissen helfen. EFT bietet...
Weiterlesen


