La Válvula de Doble Asiento Manual Original
La Válvula de Doble Asiento Manual Original
La Válvula de Doble Asiento Manual Original
Fecha Técnica
- Presión máxima del producto: 1000kpa(10bar).
- Presión mínima del producto: Vacío total.
- Rango de temperatura: -10°C a +140°C(EPDM).
Materiales
- Partes de acero en contacto con el producto: AISI 316L
- Otras partes de acero: AISI 304
- Vástago del tapón: AISI 316L con superficie cromada
- Sellos en contacto con el producto: EPDM
- Otros sellos: NBR y FPM
- Acabado: Semi brillante
Opciones
Grados de Materiales
- Sellos en contacto con el producto y sello labial de NBR, goma fluorada (FPM) o PTFE.
Pedido
Por favor, indique lo siguiente al hacer el pedido:
- Conexiones si no son extremos de soldadura.
- Tamaño.
- Combinación del cuerpo de la válvula.
- Opciones.
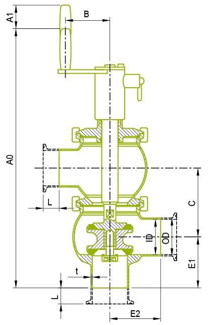
Especificación
| Size | ID mm |
OD mm |
A0 mm |
A1 mm |
B mm |
C mm |
E1 mm |
E2 mm |
t mm |
L/Clamp mm |
L/SMS Male mm |
L/IDF Male mm |
L/RJT Male mm |
|---|---|---|---|---|---|---|---|---|---|---|---|---|---|
| 25.4 | 22.1 | 25.4 | 202 | 15 | 35 | 55.6 | 50.5 | 38 | 1.65 | 21.5 | 19 | 21.5 | 21.5 |
| 38.1 | 34.7 | 38.1 | 321 | 25 | 80 | 80 | 60 | 68.5 | 1.65 | 21.5 | 23 | 21.5 | 21.5 |
| 50.8 | 47.5 | 50.8 | 348 | 25 | 80 | 92 | 68.5 | 68.5 | 1.65 | 21.5 | 23 | 21.5 | 21.5 |
| 63.5 | 60.2 | 63.5 | 404 | 25 | 80 | 108 | 79 | 82 | 1.65 | 21.5 | 27 | 21.5 | 21.5 |
| 76.1 | 72.9 | 76.1 | 453 | 32 | 80 | 128 | 103.5 | 103.5 | 1.65 | 21.5 | 27 | 21.5 | 21.5 |
| 101.6 | 97.6 | 101.6 | 453 | 32 | 80 | 148 | 103.5 | 103.5 | 2 | 21.5 | 30 | 30 | 30 |
- Productos relacionados
-
-
La Válvula de Asiento Manual Original
La Válvula de Asiento Manual Original
La Válvula de Asiento Manual Original
-
La Válvula de Doble Asiento Manual Original
La Válvula de Doble Asiento Manual Original
La Válvula de Doble Asiento Manual Original
-
La Válvula de Asiento Simple Manual Original
La Válvula de Asiento Simple Manual Original
La Válvula de Asiento Simple Manual Original
-
Productos Calientes
-
Hot
Componentes de Vacío
Hot
Componentes de Vacío
EFT proporciona bridas no solo en especificaciones estándar KF e ISO, sino también...
Leer Más -
Hot
Válvula Sanitaria
Hot
Válvula Sanitaria
EFT puede ofrecer una variedad de válvulas sanitarias de grado alimenticio y obtener...
Leer Más -
Hot
Accesorios Sanitarios
Hot
Accesorios Sanitarios
EFT posee una fábrica de forja con el objetivo de construir una imagen profesional...
Leer Más -
Hot
Reductor BPE
Hot
Reductor BPE
EFT puede ayudar con problemas generales o necesidades individuales. EFT ofrece materia...
Leer Más


