La válvula original de asiento único manual
La válvula original de asiento único manual
La válvula de asiento individual original manual
Fecha Técnica
- Presión máxima del producto: 1000kpa(10bar).
- Presión mínima del producto: Vacío completo.
- Rango de temperatura: -10°C a +140°C(EPDM).
Materiales
- Partes de acero en contacto con el producto: AISI 316L
- Otras partes de acero: AISI 304
- Vástago de la válvula: AISI 316L con superficie cromada
- Sellos en contacto con el producto: EPDM
- Otros sellos: NBR y FPM
- Terminar: Semi brillante
Opciones
Grados de materiales
- Sellos húmedos del producto y sello de labio de NBR, caucho fluorado (FPM) o PTFE.
Pedido
Por favor, indique lo siguiente al hacer el pedido:
- Conexiones si no son extremos de soldadura.
- Tamaño.
- Combinación del cuerpo de la válvula.
- Opciones.
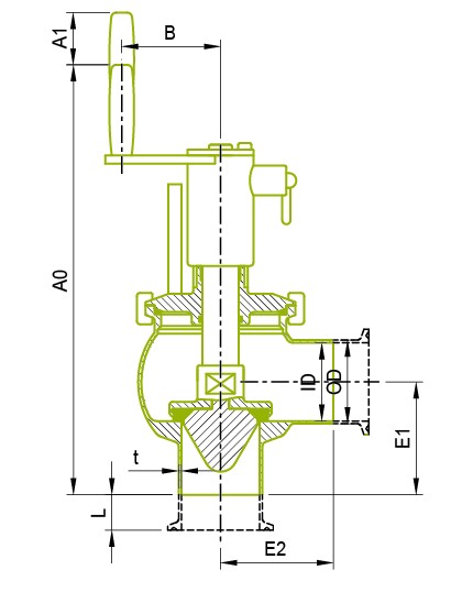
Especificación
| Size | ID mm |
OD mm |
A0 mm |
A1 mm |
B mm |
E1 mm |
E2 mm |
t mm |
L/Clamp mm |
L/SMS Male mm |
L/IDF Male mm |
L/RJT Male mm |
|---|---|---|---|---|---|---|---|---|---|---|---|---|
| 25.4 | 22.1 | 25.4 | 147 | 15 | 35 | 50.5 | 38 | 1.65 | 21.5 | 19 | 21.5 | 21.5 |
| 38.1 | 34.7 | 38.1 | 241 | 25 | 80 | 60 | 68.5 | 1.65 | 21.5 | 23 | 21.5 | 21.5 |
| 50.8 | 47.5 | 50.8 | 256 | 25 | 80 | 68.5 | 68.5 | 1.65 | 21.5 | 23 | 21.5 | 21.5 |
| 63.5 | 60.2 | 63.5 | 297 | 25 | 80 | 79 | 82 | 1.65 | 21.5 | 27 | 21.5 | 21.5 |
| 76.1 | 72.9 | 76.1 | 326 | 32 | 80 | 103.5 | 103.5 | 1.65 | 21.5 | 27 | 21.5 | 21.5 |
| 101.6 | 97.6 | 101.6 | 336.5 | 32 | 80 | 103.5 | 103.5 | 2 | 21.5 | 30 | 30 | 30 |
- Productos relacionados
-
-
La válvula de asiento manual original
La válvula de asiento manual original
La válvula de asiento original manual
-
La válvula de doble asiento manual original
La válvula de doble asiento manual original
La válvula de doble asiento original manual
-
La válvula original de asiento único manual
La válvula original de asiento único manual
La válvula de asiento individual original manual
-
Productos destacados
-
Hot
Componentes de Vacío
Hot
Componentes de Vacío
EFT proporciona bridas no solo en especificaciones estándar KF, ISO sino también...
Leer Más -
Hot
Válvula sanitaria
Hot
Válvula sanitaria
EFT puede ofrecer una variedad de válvulas sanitarias con grado alimenticio y obtener...
Leer Más -
Hot
Accesorios sanitarios
Hot
Accesorios sanitarios
EFT posee una fábrica de forja con el objetivo de construir una imagen profesional...
Leer Más -
Hot
Reductor BPE
Hot
Reductor BPE
EFT puede ayudar con problemas generales o necesidades individuales. EFT ofrece materia...
Leer Más


