Fecha Técnica
- Presión máxima del producto: 1000kpa(10bar).
- Presión mínima del producto: Vacío completo.
- Rango de temperatura: -10°C a +140°C(EPDM).
Materiales
- Partes de acero en contacto con el producto: AISI 316L
- Otras partes de acero: AISI 304
- Vástago de la válvula: AISI 316L con superficie cromada
- Sellos en contacto con el producto: EPDM
- Otros sellos: NBR y FPM
- Terminar: Semi brillante
Especificación
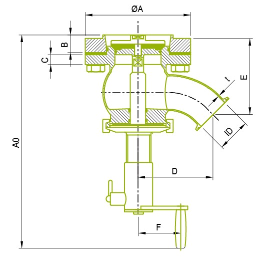
| Size | ID mm | A0 mm | ØA mm | B mm | C mm | D mm | E mm | F mm | t mm |
|---|---|---|---|---|---|---|---|---|---|
| 25.4 | 22.1 | 272 | 100 | 18 | 10 | 65 | 72 | 80 | 1.65 |
| 38.1 | 34.7 | 290 | 140 | 20 | 12 | 92 | 88 | 80 | 1.65 |
| 50.8 | 47.5 | 290 | 150 | 23 | 14 | 108 | 106 | 80 | 1.65 |
| 63.5 | 60.2 | 345 | 180 | 24 | 14 | 125 | 123 | 80 | 1.65 |
| 76.1 | 72.9 | 355 | 200 | 24 | 14 | 149 | 134 | 80 | 1.65 |
Productos destacados
Hot
Componentes de Vacío
Hot
Componentes de Vacío
EFT proporciona bridas no solo en especificaciones estándar KF, ISO sino también...
Leer Más
Hot
Válvula sanitaria
Hot
Válvula sanitaria
EFT puede ofrecer una variedad de válvulas sanitarias con grado alimenticio y obtener...
Leer Más
Hot
Accesorios sanitarios
Hot
Accesorios sanitarios
EFT posee una fábrica de forja con el objetivo de construir una imagen profesional...
Leer Más
Hot
Reductor BPE
Hot
Reductor BPE
EFT puede ayudar con problemas generales o necesidades individuales. EFT ofrece materia...
Leer Más


