सैनिटरी 3 वे बॉल वाल्व
3 वे बॉल वाल्व
श्रृंखला: Y-4HCS
चार टुकड़े तीन रास्ता मल्टी-पोर्ट 1000
WOG सैनिटरी बॉल वाल्व ट्राई-क्लैंप अंत T/T/T
खाद्य और रासायनिक उपयोग के लिए सैनिटरी 3 वे बॉल वाल्व ISO माउंट प्लेट के साथ
विशेषताएँ
- ब्लो-आउट प्रूफ स्टेम/सॉलिड बॉल
- लॉकिंग हैंडल
- निवेश कास्ट स्टेनलेस स्टील CF8M या CF3M
- गेंद और अंत पॉलिश दर 20RA
- पूर्ण गुहा भरी PTFE सीटें
- गेंद: टी-पोर्ट और एल-पोर्ट
- लंबी गर्दन ISO 5211 माउंटिंग पैड सक्षम करता है
- O इंस्टाल एक्ट्यूएटर सीधे
- आकार: 1/2" से 2" तक उपलब्ध
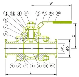
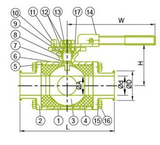
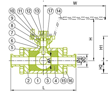
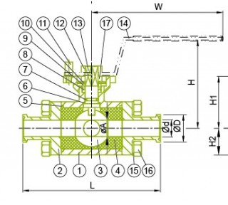
विनिर्देशन

- संबंधित उत्पाद
गेंद वाल्व के लिए माउंट एक्ट्यूएटर
बॉल वाल्व
माउंट एक्ट्यूएटर सीधे माउंट कॉन्फ़िगरेशन है। इसे निम्न और उच्च ब्रैकेट से सुसज्जित किया जा सकता है। बॉल वाल्व का शीर्ष अधिक विश्वसनीयता, आसान स्थापना और बेहतर चक्र जीवन के लिए।
सैनिटरी 3 वे बॉल वाल्व
3 वे बॉल वाल्व
श्रृंखला: Y-4HCS चार टुकड़े तीन रास्ता मल्टी-पोर्ट 1000 WOG सैनिटरी बॉल वाल्व ट्राई-क्लैंप अंत T/T/T
सर्वश्रेष्ठ बिक्री
गर्म उत्पाद
Hot
वैक्यूम घटक
Hot
वैक्यूम घटक
EFT KF, ISO के साथ-साथ CF मानक विनिर्देशों...
और पढ़ें
Hot
स्वच्छता वाल्व
Hot
स्वच्छता वाल्व
EFT खाद्य ग्रेड के साथ विभिन्न स्वच्छता...
और पढ़ें
Hot
स्वच्छता फिटिंग
Hot
स्वच्छता फिटिंग
EFT एक फोर्जिंग फैक्ट्री का मालिक...
और पढ़ें
Hot
BPE रिड्यूसर
Hot
BPE रिड्यूसर
EFT सामान्य मुद्दों या व्यक्तिगत...
और पढ़ें


