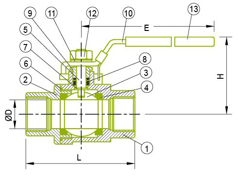
2-पीसी गेंद वाल्व
- एएनएसआई बी2.1, बीएस 21 1973, डिन 259/2999 के अनुसार पाइप धागा
- सामग्री: ASTM-CF8M A351
- 1000PSI (69 बार) W.O.G
नामकरण
| आइटम | पार्ट्स | मटेरियल | मात्रा |
|---|---|---|---|
| 1 | बॉडी | 316/WCB | 1 |
| 2 | टोपी | 316/WCB | 1 |
| 3 | गेंद | 316 | 1 |
| 4 | सीट | पीटीएफई | 1 |
| 5 | स्टेम | 316 | 1 |
| 6 | संयुक्त गास्केट | पीटीएफई | 1 |
| 7 | थ्रस्ट वॉशर | पीटीएफई | 1 |
| 8 | स्टेम पैकिंग | पीटीएफई | 2 |
| 9 | ग्लैंड नट | 304 | 1 |
| 10 | हैंडल | 304 | 4 |
| 11 | वॉशर | 304 | 1 |
| 12 | स्टेम नट | 304 | 1 |
| 13 | प्लास्टिक कवर | प्लास्टिक | 1 |
विनिर्देशन
| Size | D mm |
E mm |
H mm |
L mm |
M mm |
|---|---|---|---|---|---|
| 1/4" | 12.5 | 106 | 48 | 52 | NPT or PF PT |
| 3/8" | 12.5 | 106 | 48 | 52 | NPT or PF PT |
| 1/2" | 15 | 106 | 54 | 63 | NPT or PF PT |
| 3/4" | 20 | 132 | 61 | 75 | NPT or PF PT |
| 1" | 25 | 152 | 71 | 88 | NPT or PF PT |
| 1 1/4" | 32 | 152 | 75 | 101 | NPT or PF PT |
| 1 1/2" | 38 | 193 | 91 | 112 | NPT or PF PT |
| 2" | 50 | 193 | 100 | 124 | NPT or PF PT |
| 2 1/2" | 65 | 263 | 142 | 164 | NPT or PF PT |
| 3" | 80 | 263 | 142 | 198 | NPT or PF PT |
- संबंधित उत्पाद
-
-
बॉल वाल्व के लिए माउंट एक्चुएटर
बॉल वाल्व
माउंट एक्चुएटर सीधे माउंट कॉन्फ़िगरेशन है। इसे लो और हाई ब्रैकेट से सुसज्जित किया जा सकता है। बॉल वाल्व की ऊपरी भाग में अधिक विश्वसनीयता, आसान स्थापना और बेहतर साइकिलिंग जीवन के लिए।
-
बॉल वाल्व के लिए माउंट एक्चुएटर
बॉल वाल्व
माउंट एक्चुएटर सीधे माउंट कॉन्फ़िगरेशन है। इसे लो और हाई ब्रैकेट से सुसज्जित किया जा सकता है। बॉल वाल्व की ऊपरी भाग में अधिक विश्वसनीयता, आसान स्थापना और बेहतर साइकिलिंग जीवन के लिए।
-
स्वच्छता 3 वेतनी गेंद वाल्व
3 वे गेंद वाल्व
श्रृंगार: Y-4HCS चार टुकड़ा तीन तरह का मल्टी-पोर्ट 1000 WOG स्वच्छता गेंद वाल्व ट्राई-क्लैंप एंड टी/टी/टी
-
स्वच्छता 3 वेतनी गेंद वाल्व
3 वे गेंद वाल्व
श्रृंगार: Y-4HCS चार टुकड़ा तीन तरह का मल्टी-पोर्ट 1000 WOG स्वच्छता गेंद वाल्व ट्राई-क्लैंप एंड टी/टी/टी
-
2 वे प्लग वाल्व
2 वे प्लग वाल्व
प्लग वाल्व संकीर्ण दबाव घटाने के साथ उत्कृष्ट स्वच्छता उपकरण हैं। इस प्रकार का वाल्व एक विशेष टेपर के साथ निर्मित होता है जो वेजिंग और गैलिंग को कम करने के लिए सावधानीपूर्वक डिज़ाइन किया गया है। प्लग वाल्व 316 स्टेनलेस स्टील के बने होते हैं और क्लैंप और बटवेल्ड एंड कॉन्फ़िगरेशन में उपलब्ध होते हैं। रबर या स्टेनलेस स्टील प्लग में उपलब्ध होते हैं। नोट: प्लग वाल्व, स्वाभाविक डिज़ाइन के कारण, केवल कम दबाव वाले अनुप्रयोगों के लिए सिफारिश किया जाता है.... अधिकतम 25 पीएसआई; गैर-खतरनाक उत्पादों के साथ उपयोग के लिए, और 100°F से अधिक तापमान में। वे लीकेज के प्रति लगभग सामान्य ऑपरेटिंग, रखरखाव और सफाई प्रक्रियाओं के अधीन होते हैं।
-
3 वे प्लग वाल्व
3 वे प्लग वाल्व
प्लग वाल्व संकीर्ण दबाव घटाने के साथ उत्कृष्ट स्वच्छता उपकरण हैं। इस प्रकार का वाल्व एक विशेष टेपर के साथ निर्मित होता है जो वेजिंग और गैलिंग को कम करने के लिए सावधानीपूर्वक डिज़ाइन किया गया है। प्लग वाल्व 316 स्टेनलेस स्टील के बने होते हैं और क्लैंप और बटवेल्ड एंड कॉन्फ़िगरेशन में उपलब्ध होते हैं। रबर या स्टेनलेस स्टील प्लग में उपलब्ध होते हैं। नोट: प्लग वाल्व, स्वाभाविक डिज़ाइन के कारण, केवल कम दबाव वाले अनुप्रयोगों के लिए सिफारिश किया जाता है.... अधिकतम 25 पीएसआई; गैर-खतरनाक उत्पादों के साथ उपयोग के लिए, और 100°F से अधिक तापमान में। वे लीकेज के प्रति लगभग सामान्य ऑपरेटिंग, रखरखाव और सफाई प्रक्रियाओं के अधीन होते हैं।
सबसे अच्छी बिक्री
हॉट उत्पाद
-
Hot
वैक्यूम कंपोनेंट्स
Hot
वैक्यूम कंपोनेंट्स
EFT केएफ, आईएसओ के साथ ही सीएफ मानक...
और पढ़ें -
Hot
स्वच्छता वाल्व
Hot
स्वच्छता वाल्व
EFT खाद्य ग्रेड के साथ विभिन्न स्वच्छता...
और पढ़ें -
Hot
स्वच्छता फिटिंग
Hot
स्वच्छता फिटिंग
EFT के पास एक फोर्जिंग कारख़ाना है...
और पढ़ें -
Hot
बीपीई रिड्यूसर
Hot
बीपीई रिड्यूसर
EFT सामान्य मुद्दों या व्यक्तिगत...
और पढ़ें


