วาล์วบอลสุขอนามัยสำหรับการใช้งานด้านอาหารและเคมีพร้อมแผ่นติด ISO
- อุปกรณ์ล็อคอาจจำเป็นต้องใช้
- ทดสอบด้วยอากาศ 100% ใต้น้ำที่ 100psi ในตำแหน่งเปิดและปิด
- แรงดันทดสอบไฮโดรสแตติก 1/4"~2" 1,500psi, 2 1/2"~4" 1,200psi.
- ปลายมาตรฐาน: เชื่อม & ปลายหนีบ:
- ข้อความ SMS อื่น ๆ. DIN. RJT. IDF
- ชาย/ชาย อาจจะต้องการ.
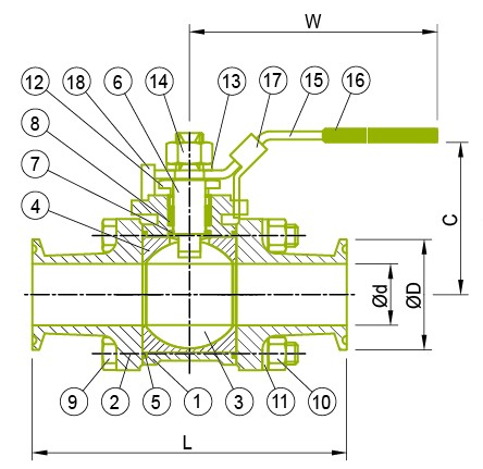
การกำหนดชื่อ

ข้อกำหนด

- ผลิตภัณฑ์ที่เกี่ยวข้อง
มอเตอร์ขับเคลื่อนสำหรับวาล์วบอล
วาล์วบอล
การติดตั้งแอคทูเอเตอร์เป็นการติดตั้งแบบตรง สามารถติดตั้งขาตั้งต่ำและสูงได้ ด้านบนของวาล์วบอลเพื่อความน่าเชื่อถือที่มากขึ้น การติดตั้งที่ง่ายขึ้น และอายุการใช้งานที่ยาวนานขึ้น
วาล์วบอล 3 ทางแบบสุขาภิบาล
วาล์วบอล 3 ทาง
ซีรีส์: Y-4HCS ชิ้นส่วนสี่ชิ้นสามทางมัลติพอร์ต 1000 วาล์วบอลสุขาภิบาล WOG TRI-CLAMP END T/T/T
ผลิตภัณฑ์ยอดนิยม
Hot
ส่วนประกอบสูญญากาศ
Hot
ส่วนประกอบสูญญากาศ
EFT ให้ฟลานจ์ไม่เพียงแต่ตามมาตรฐาน...
อ่านเพิ่มเติม
Hot
วาล์วสุขอนามัย
Hot
วาล์วสุขอนามัย
EFT สามารถเสนอวาล์วสุขอนามัยที่หลากหลายซึ่งมีเกรดอาหารและได้รับใบรับรอง...
อ่านเพิ่มเติม
Hot
ฟิตติ้งสุขอนามัย
Hot
ฟิตติ้งสุขอนามัย
EFT เป็นเจ้าของโรงงานตีขึ้นรูปโดยมีวัตถุประสงค์เพื่อสร้างภาพลักษณ์ที่เป็นมืออาชีพและให้ฟิตติ้งคุณภาพสูงและโซลูชันครบวงจร.
อ่านเพิ่มเติม
Hot
ตัวลด BPE
Hot
ตัวลด BPE
EFT สามารถช่วยในเรื่องทั่วไปหรือความต้องการเฉพาะบุคคล...
อ่านเพิ่มเติม


