Van bi vệ sinh cho thực phẩm và hóa chất với đế lắp ISO
- Thiết bị khóa có thể được yêu cầu.
- 100% được kiểm tra bằng không khí dưới nước ở 100psi, vị trí mở và đóng.
- Áp suất kiểm tra thủy tĩnh 1/4"~2" 1,500psi, 2 1/2"~4" 1,200psi.
- Kết thúc tiêu chuẩn: Hàn & Kết thúc kẹp:
- Các SMS khác. DIN. RJT. IDF
- Nam/Nam có thể được yêu cầu.
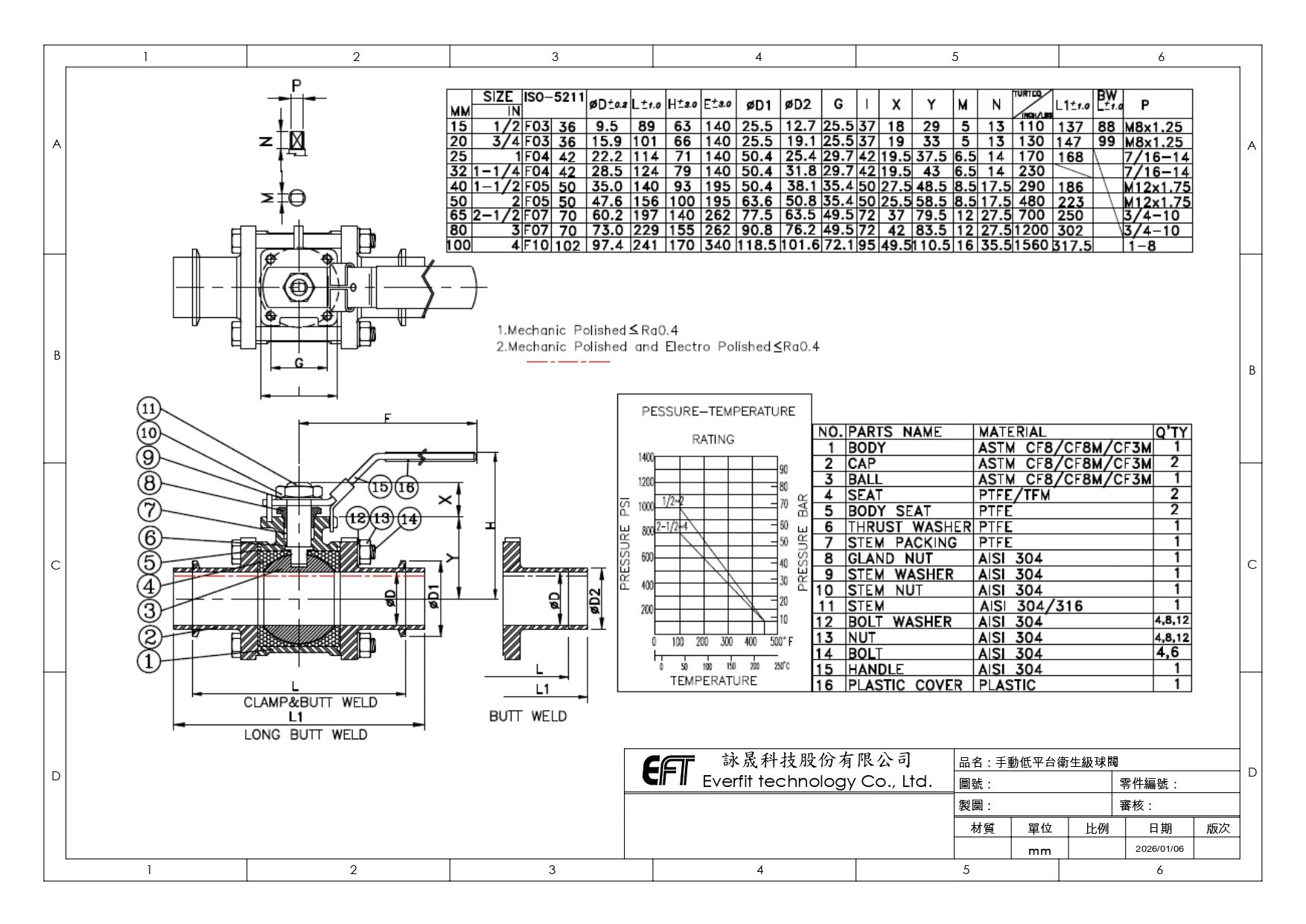
Chỉ định

Thông số kỹ thuật

- Sản phẩm liên quan
Bộ truyền động cho van bi
Van bi
Cấu hình gắn trực tiếp cho bộ truyền động. Có thể được trang bị giá đỡ thấp và cao. Phần trên của van bi để tăng độ tin cậy, dễ lắp đặt và cải thiện tuổi thọ chu kỳ.
Van bi 3 chiều vệ sinh
Van bi 3 chiều
DÒNG: Y-4HCS BỘ BỐN MẢNG BA HƯỚNG ĐA CỔNG 1000 VAN BI VỆ SINH WOG KẾT NỐI TRI-CLAMP T/T/T
Bán chạy nhất
Sản phẩm hot
Hot
Các thành phần chân không
Hot
Các thành phần chân không
EFT cung cấp các mặt bích không chỉ theo tiêu chuẩn KF, ISO mà còn...
Đọc Thêm
Hot
Van vệ sinh
Hot
Van vệ sinh
EFT có thể cung cấp nhiều loại van vệ sinh đạt tiêu chuẩn thực...
Đọc Thêm
Hot
Phụ kiện vệ sinh
Hot
Phụ kiện vệ sinh
EFT sở hữu nhà máy rèn với mục tiêu xây dựng hình ảnh chuyên nghiệp...
Đọc Thêm


