Materials
Materials S.S.304, 304L, 316L and Sizes can be customized per customers'designs and requirements.
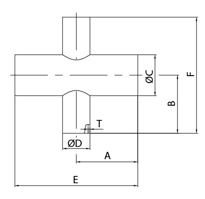
                                          Specification
| Size | A | B | C | D | E | T | Parts No. | 
|---|---|---|---|---|---|---|---|
| 1"x3/4" | 48.2 | 33.7 | 25.4 | 19.05 | 96.4 | 1.65 | EKA8W-1006 | 
| 1.5"x3/4" | 57.2 | 48.2 | 38.1 | 19.05 | 114.3 | 1.65 | EKA8W-1406 | 
| 1.5"x1" | 57.2 | 54 | 38.1 | 25.4 | 114.3 | 1.65 | EKA8W-1410 | 
| 2"x3/4" | 76.2 | 54.4 | 50.8 | 19.05 | 152.4 | 1.65 | EKA8W-2006 | 
| 2"x1" | 76.2 | 60.3 | 50.8 | 25.4 | 152.4 | 1.65 | EKA8W-2010 | 
| 2"x1.5" | 76.2 | 63.5 | 50.8 | 38.1 | 152.4 | 1.65 | EKA8W-2014 | 
| 3"x2.5" | 8.25 | 82.5 | 76.2 | 63.5 | 165 | 1.65 | EKA8W-3024 | 
| 4"x2" | 98.4 | 101.6 | 101.6 | 50.8 | 196.8 | 2 | EKA8W-4020 | 
| 4"x2.5" | 98.4 | 95.3 | 101.6 | 63.5 | 196.8 | 2 | EKA8W-4024 | 
| 4"x3" | 98.4 | 95.3 | 101.6 | 76.2 | 196.8 | 2 | EKA8W-4030 | 
| 6"x3" | 127 | 120.7 | 152.4 | 76.2 | 254 | 2.77 | EKA8W-6030 | 
| 6"x4" | 127 | 123.8 | 152.4 | 101.6 | 254 | 2.77 | EKA8W-6040 | 
 
 
               
                 
                 
              
                             
              
                             
              
                             
              
                            


 
                   
                   
                  