Materials
Materials SS304, 304L, 316L and Sizes can be customized per customers'designs and requirements.
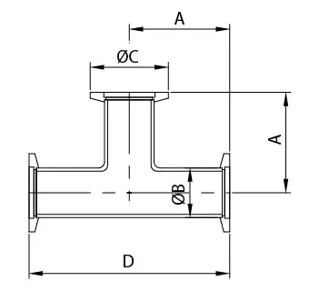
Specification
| Size | Standard | A | B | C | D | Parts No. |
|---|---|---|---|---|---|---|
| KF16 | USA | 38.3 | 19.05 | 30 | 76.6 | EKALC-0600 |
| KF25 | USA | 51.4 | 25.4 | 40 | 102.8 | EKALC-1000 |
| KF40 | USA | 61 | 38.1 | 55 | 122.0 | EKALC-1400 |
| KF50 | USA | 80 | 50.8 | 75 | 160.0 | EKALC-2000 |
| Size | Standard | A | B | C | D | Parts No. |
|---|---|---|---|---|---|---|
| KF16 | Europe | 40 | 19.05 | 30 | 80.0 | EKELC-0600 |
| KF25 | Europe | 50 | 25.4 | 40 | 100.0 | EKELC-1000 |
| KF40 | Europe | 65 | 38.1 | 55 | 130.0 | EKELC-1400 |
| KF50 | Europe | 70 | 50.8 | 75 | 140.0 | EKELC-2000 |


