विनिर्देशन
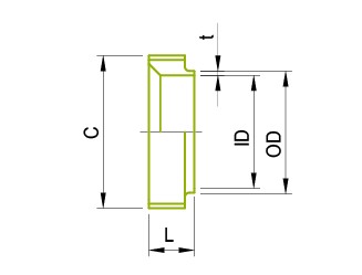
| Size | C | OD/ID x t | L |
|---|---|---|---|
| 1.0" | 37.13 ACME 8TPI | 2.54/22.1x1.65 | 18.3 |
| 1.5" | 50.65 ACME 8TPI | 38.1/34.8x1.65 | 18.3 |
| 2.0" | 64.17 ACME 8TPI | 50.8/47.5x1.65 | 19.1 |
| 2.5" | 77.67 ACME 8TPI | 63.5/60.2x1.65 | 22.3 |
| 3.0" | 91.19 ACME 8TPI | 76.2/72.9x1.65 | 23.1 |
| 4.0" | 119.25 ACME 6TPI | 101.6/97.6x2.0 | 26.2 |
सबसे अच्छी बिक्री
हॉट उत्पाद
Hot
वैक्यूम कंपोनेंट्स
Hot
वैक्यूम कंपोनेंट्स
EFT केएफ, आईएसओ के साथ ही सीएफ मानक...
और पढ़ें
Hot
स्वच्छता वाल्व
Hot
स्वच्छता वाल्व
EFT खाद्य ग्रेड के साथ विभिन्न स्वच्छता...
और पढ़ें
Hot
स्वच्छता फिटिंग
Hot
स्वच्छता फिटिंग
EFT के पास एक फोर्जिंग कारख़ाना है...
और पढ़ें
Hot
बीपीई रिड्यूसर
Hot
बीपीई रिड्यूसर
EFT सामान्य मुद्दों या व्यक्तिगत...
और पढ़ें


