材料
材料S.S.304、304L、316L、サイズは顧客のデザインと要件に合わせてカスタマイズできます。
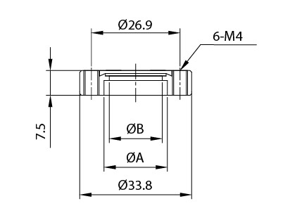
仕様
| Size | A | B | Parts No. | 
|---|---|---|---|
| CF16-06 | 6.5 | 5.5 | SCHT-0606 | 
| CF16-12 | 12.9 | 10 | SCHT-0612 | 
| CF16-19 | 19.15 | 16 | SCHT-0619 | 
ボルトとナットによるCFフランジ接続

特徴:
- CFフランジアセンブリは、CFフランジ2つ、平らな銅ガスケット、インサート、ボルト、ナットで構成されています。
- 希望のCFフランジ設計オプションを選択してください:- CFフランジブランクまたはCFボアフランジブランク
- CFタップホールフランジまたは非タップホールフランジ
- CF非回転フランジまたは回転フランジ
 
素材とサイズ
- フランジ、ブランク、フィッティング:素材 S.S.304
- ガスケット:素材 銅
- サイズ:CF16〜CF150
 
 
 
 
 
 
 
 
 
 
 
 
 
 
 



 
 
 
