Материалы
Материалы S.S.304, 304L, 316L и размеры могут быть настроены в соответствии с дизайном и требованиями клиентов.
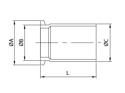
                                          Спецификация
| Size | A | B | C | L | Parts No. | 
|---|---|---|---|---|---|
| NW25 | 40 | 32 | 34.0 | 50 | SJLB-1000 | 
| NW40 | 55 | 45 | 48.6 | 50 | SJLB-1400 | 
KF фланцевое соединение с зажимами
 
Характеристика:
- Легкая сборка и быстрая разборка вручную без инструментов - сборка KF или NW состоит из двух фланцев, центрального кольца, уплотнительного кольца и зажима из алюминия или нержавеющей стали с крепежным винтом для быстрого и надежного соединения.
- Равномерное давление для создания вакуумного герметичного соединения - коническая поверхность фланца KF/NW под углом 15° позволяет равномерно распределить давление на уплотнительное кольцо, которое удерживается металлическим центральным кольцом и зажимом для создания вакуумного герметичного соединения.
Материал и размер
- Фланцы, заглушки, фитинги: материал S.S.304
- Зажимы: материал алюминий или S.S. 304
- Уплотнительное кольцо: материал Витон
- Размеры: KF10~KF160, стандарт JIS: NW10~NW100
- Связанные продукты
- 
			                  
 
Лучшие продажи
Популярные продукты
- 
           Hot HotВакуумные компоненты Hot HotВакуумные компонентыEFT предоставляет фланцы не только по стандартам... Читать Далее
- 
           Hot HotСанитарный клапан Hot HotСанитарный клапанEFT может предложить различные санитарные клапаны... Читать Далее
- 
           Hot HotСанитарные фитинги Hot HotСанитарные фитингиEFT владеет кузнечным заводом с целью создания... Читать Далее
- 
           Hot HotBPE Редуктор Hot HotBPE РедукторEFT может помочь с общими вопросами или индивидуальными... Читать Далее
 
 
               
                 
                 
              
                             
              
                             
              
                             
              
                             
              
                             
              
                             
              
                             
              
                             
              
                             
              
                             
              
                            

