Длинный сварной фланец-заглушка
Материалы
Материалы S.S.304, 304L, 316L и размеры могут быть настроены в соответствии с дизайном и требованиями клиентов.
Спецификация
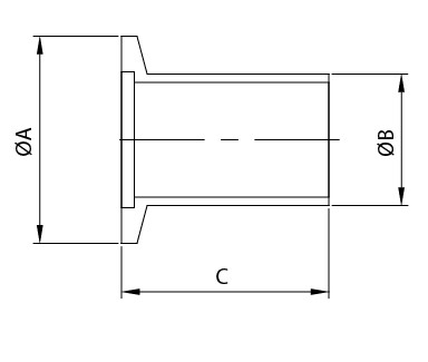
| Size | Standard | A | B | C | Parts No. |
|---|---|---|---|---|---|
| KF10 | U.S.A | 30 | 12.7 | 40 | SAL0-0400 |
| KF16 | U.S.A | 30 | 19.1 | 40 | SAL0-0600 |
| KF25 | U.S.A | 40 | 25.4 | 40 | SAL0-1000 |
| KF40 | U.S.A | 55 | 38.1 | 40 | SAL0-1400 |
| KF50 | U.S.A | 75 | 50.8 | 40 | SAL0-2000 |
KF фланцевое соединение с зажимами

Характеристика:
- Легкая сборка и быстрая разборка вручную без инструментов - сборка KF или NW состоит из двух фланцев, центрального кольца, уплотнительного кольца и зажима из алюминия или нержавеющей стали с крепежным винтом для быстрого и надежного соединения.
- Равномерное давление для создания вакуумного герметичного соединения - коническая поверхность фланца KF/NW под углом 15° позволяет равномерно распределить давление на уплотнительное кольцо, которое удерживается металлическим центральным кольцом и зажимом для создания вакуумного герметичного соединения.
Материал и размер
- Фланцы, заглушки, фитинги: материал S.S.304
- Зажимы: материал алюминий или S.S. 304
- Уплотнительное кольцо: материал Витон
- Размеры: KF10~KF160, стандарт JIS: NW10~NW100
- Связанные продукты
Лучшие продажи
Популярные продукты
Hot
Вакуумные компоненты
Hot
Вакуумные компоненты
EFT предоставляет фланцы не только по стандартам...
Читать Далее
Hot
Санитарный клапан
Hot
Санитарный клапан
EFT может предложить различные санитарные клапаны...
Читать Далее
Hot
Санитарные фитинги
Hot
Санитарные фитинги
EFT владеет кузнечным заводом с целью создания...
Читать Далее
Hot
BPE Редуктор
Hot
BPE Редуктор
EFT может помочь с общими вопросами или индивидуальными...
Читать Далее


