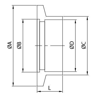
Фланец с приварным патрубком
Материалы
Материалы S.S.304, 304L, 316L и размеры могут быть настроены в соответствии с дизайном и требованиями клиентов.
Спецификация
| Size | A | B | c | D | L | Parts No. |
|---|---|---|---|---|---|---|
| KF10 | 30 | 12.2 | 16.5 | 13.0 | 12.7 | SASW-0400 |
| KF16 | 30 | 17.2 | 20.5 | 19.3 | 12.7 | SASW-0600 |
| KF25 | 40 | 26.2 | 29 | 25.7 | 12.7 | SASW-1000 |
| KF40 | 55 | 41.2 | 44.7 | 38.4 | 12.7 | SASW-1400 |
| KF50 | 75 | 52.2 | 57.4 | 51.1 | 12.7 | SASW-2000 |
| KF63 | 87 | 70 | 67.5 | 63.7 | 12.7 | SASW-2400 |
KF ФЛАНЦЕВОЕ СОЕДИНЕНИЕ С ЗАЖИМАМИ

Характеристика:
- Легкая сборка и быстрая разборка вручную без инструментов - сборка KF или NW состоит из двух фланцев, центрального кольца, уплотнительного кольца и алюминиевого зажима или зажима из нержавеющей стали с гайкой-барашком для быстрого соединения.
- Равномерное давление для создания вакуумного соединения - конусная поверхность фланца KF/NW с углом 15° позволяет равномерно сжимать уплотнительное кольцо, которое удерживается на месте металлическим центральным кольцом, зажимом для создания вакуумного уплотнения.
Материал и размер
- Фланцы, заготовки, фитинги: материал нержавеющая сталь S.S.304
- Зажимы: Материал алюминий или нержавеющая сталь 304
- Уплотнительное кольцо: Материал Витон
- Размеры: KF10~KF160, стандарт JIS: NW10~NW100
- Связанные продукты
Лучшие продажи
Горячие продукты
Hot
Вакуумные компоненты
Hot
Вакуумные компоненты
EFT предоставляет фланцы не только стандартов...
Читать Далее
Hot
Санитарный клапан
Hot
Санитарный клапан
EFT может предложить разнообразные санитарные...
Читать Далее
Hot
Санитарные фитинги
Hot
Санитарные фитинги
EFT владеет кузнечным заводом с целью создания...
Читать Далее
Hot
Редуктор BPE
Hot
Редуктор BPE
EFT может помочь с общими вопросами или индивидуальными...
Читать Далее


