Blank Flange
Materials
Materials S.S.304, 304L, 316L and Sizes can be customized per customers'designs and requirements.
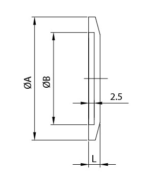
Specification
| Size | A | B | L | Parts No. |
|---|---|---|---|---|
| NW10 | 30 | 12.2 | 5 | SJBL-0400 |
| NW16 | 30 | 17.2 | 5 | SJBL-0600 |
| NW25 | 40 | 26.2 | 5 | SJBL-1000 |
| NW40 | 55 | 41.2 | 5 | SJBL-1400 |
| NW50 | 75 | 52.2 | 5 | SJBL-2000 |
| NW63 | 87 | 70.2 | 5 | SJBL-2400 |
KF FLANGE CONNECTION WITH CLAMPS

Characteristic:
- Easy Assembly and Quick Disassembly manually without tools-KF or NW assembly comprises two flanges, a center-ring, an O-ring and an aluminum clamp or stainless steel clamp with a wingnut fastener for quick and fast connection.
- Uniform Pressure to Effect Vacuum Seal Connection-15° taper surface of KF/NW flange allows uniform pressure to compress an O-ring, which is held in place by metal center-ring, by the clamp to generate a vacuum seal.
Material and Size
- Flanges, Blanks, Fitting: Material S.S.304
- Clamps: Material Aluminum or S.S. 304
- O-ring : Material Viton
- Sizes: KF10~KF160, JIS Standard: NW10~NW100
Hot Products
Hot
Vacuum Components
Hot
Vacuum Components
EFT provide flanges not only KF, ISO but also CF standard specification . We have...
Read More
Hot
Sanitary Valve
Hot
Sanitary Valve
EFT can offer variety sanitary valve with food grade and get 3A certificate . Our diaphragm...
Read More
Hot
Sanitary Fittings
Hot
Sanitary Fittings
EFT owns forging factory with the objective of building a professional image and providing...
Read More
Hot
BPE Reducer
Hot
BPE Reducer
EFT can help with general issues or individual needs. EFT offers unique raw material...
Read More


