3A Cap (3A-16A)

3A Recessless Union Parts / Everfit Technology CO., LTD. (EFT) is a vacuum component, vacuum fitting, processing equipment and system provider with almost 50 years of experience.


3A Cap (3A-16A)

3A Recessless Union Parts

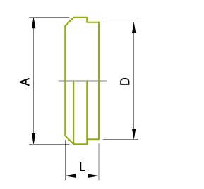
Specification

SizeADL
1.0"33.329.511.9
1.5"46.842.614.3
2.0"60.355.715.9
2.5"73.868.816.7
3.0"87.381.918.3
4.0"114.3108.120.6
Related Products


Best Sale

Vacuum Component | 3A Cap (3A-16A) Manufacturer - EFT

Based in Taiwan, EVERFIT TECHNOLOGY CO., LTD. is a 3A Cap (3A-16A) | vacuum component supplier for various industries, including semi-conductor, pharmaceutical, bio-technology, cosmetics, food processing and structural engineering. Main product: 316Ti Stainless steel pipe, progressing cavity pump part, pipe tee fitting, valve actuator component, diaphragm valve, ferrule, KF flange, etc.

5,500 square meter plant, cleanroom (class 10,000) and ultra-pure water system to deliver the cleanest pipe fittings. Between the robot arm and adjustment of fixture and jig, EFT is moving toward to becoming a manufacturer of pipe fittings with high technology.

EFT has been offering customers high-quality stainless steel vacuum components since 1976, both with advanced technology and 47 years of experience, EFT ensures each customer's demands are met.

Hot Products